В последнее время у радиолюбителей накопилось большое количество корпусов от компьютерных блоков питания, в которых, как правило, схема выпрямителя ПК ремонту не подлежит — легче купить новый, а выбросить жалко. Наличие вентилятора с хорошими характеристиками, возможность подачи сетевого питания, выключатель сети и другие элементы позволяют применить использованный блок питания ПК для установки других компонентов, к примеру, двухканального усилителя низкой частоты. Читать далее
Усилитель мощности «ЛАНЗАР» 310Вт на транзисторах
Подобная схемотехника используется довольно давно, однако имя «Ланзар» приобрела благодаря статье А.И. Шихатова в журнале «мастер 12 вольт» №43. В этой статье была описана схемотехника автомобильных усилителей на основе усилителя LANZAR RK-1200C, откуда собственно и взялось имя. Читать далее
Усилитель мощности на TDA7294 на 60 ват
Усилитель выполнен на основе микросхемы TDA 7294, такие достоинства микросхемы, как высокая выходная мощность, широкий диапазон питающего напряжения и низкий процент гармонических искажений, в сочетании с вполне доступной ценой, делают возможным использование этого усилителя во многих радиолюбительских конструкциях аудиотехники, а так же, при ремонте и модернизации УНЧ аппаратуры промышленного производства, изготовлении различных активных акустических систем, и др. Читать далее
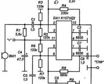
Микрофонный усилитель
Простой, малошумящий, рассчитанный на подключение электретного микрофона, с однополярным питанием микрофонный усилитель может найти различное применение, например, для измерения АЧХ. Рекомендуемый микрофонный капсюль ВА1 -типа WM-61A (Panasonic). Читать далее
Высококачественный гибридный усилитель на 100Вт
В описываемом усилителе применен усилитель напряжения на лампе. Усилитель тока выполнен на транзисторах. Усилитель не имеет общей обратной связи. Транзисторы используются только по схеме с общим коллектором. В усилителе отсутствуют генераторы тока. Использован минимум активных элементов. Усилитель сравнивался с транзисторным усилителем в ценовой категории 1000 USD, где убедительно продемонстрировал свое преимущество. Читать далее
Слуховой аппарат
Казалось, стоило бы придумывать что-то, когда наша промышленность выпускает малогабаритные слуховые аппараты? Оказывается, стоит. Во-первых, такие аппараты продают в крупных городах. Во-вторых, стоимость их оставляет желать лучшего: не каждый может отдать половину своей пенсии. Читать далее





