Схема люстры Чижевского
 
В средствах массовой информации широко рекламируется люстра Чижевского как панацея от всех заболеваний, связанных с "грязным воздухом". Доля правды в этом есть. В жаркий день, сидя под излучателем работающего ионизатора ощущается свежесть, прохлада и легкие как бы расправляются (речь идет об ионизаторах, изготовленных радиолюбителями).
В популярных технических журналах этому вопросу уделяется достаточно внимания .
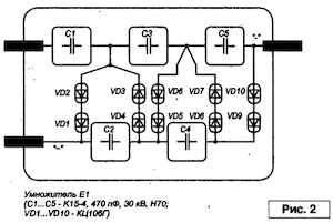
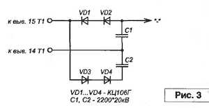
Это более простое в изготовлении устройство. Не надо ничего разбирать, перематывать, доматывать (рис. 1). Формирователь напряжения для первичной обмотки трансформатора Т1 собран на тиристоре VS1. Ко вторичной обмотке подключен умножитель Е1 (рис. 2). Возможен более простой умножитель, а именно удвоитель напряжения по схеме Латура (рис. 3). Во избежание коронирования элементов умножителя по рис. 2 он заливается эпоксидной смолой. Размер таблетки умножителя получился 120x80x30 мм. Трансформатор Т1 взят от старых телевизоров.
Вся конструкция помещается в пластмассовую канистру, используемую автолюбителями, для содержания жидкости антиобледенения (5 литров). Излучатели отрицательных ионов могут быть самые разные. Один из вариантов на раму от цветного телевизора размером 750×500 мм натягиваются полосы оцинкованного железа с тем расчетом, чтобы заполнить площадь рамы. К каждой полосе сверху шляпками припаяны стальные гвозди длиной 30 мм и диаметром 1 мм, направленные остриями вниз с шагом 20 мм.
В другом варианте берутся полоски оцинкованного железа размером 420×90 мм, загибаются в П-образный профиль, имея своим основанием плоскость шириной в 40 мм. Загнутые 25 мм края надрезаются таким образом, чтобы получились треугольники с углом при вершине порядка 20°. Полученные таким образом полоски натягиваются на раму от черно-белого телевизора размером 430×360 мм. Полоски после натягивания на раму представляют собой части окружности, выпуклости которой обращены к помещению, если излучатель находится недалеко от стены аналогично светильнику типа бра.
Техника безопасности: не прикасаться к излучателям во время работы "люстры Чижевского"!

