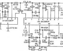
Микросхема МС3361 широко используется в связной технике, в частности, на диапазоне 27МГц. В микросхеме заключен полный приемный тракт супергетеродина с однократным преобразованием частоты. Поэтому, на ней делают либо простой приемник для радиостанции, с однократным преобразованием (ПЧ = 465 кГц или 455 кГц), либо только тракт обработки второй промежуточной частоты. Хотя, чаще встречаются описания трактов с двойным преобразованием частоты на основе другой микросхемы, -МС3362, более дорогой и менее доступной. Читать далее
Четырехкомандное дистанционное управление
Несмотря на огромное количество разных типов пультов ДУ, присутствующих в продаже, сделать самостоятельно систему дистанционного управления на ИК-лучах каким-либо прибором или аппаратом проблематично. Дело в том, что нет декодеров, работающих самостоятельно. Практически во всей современной аппаратуре декодер дистанционного управления входит в состав контроллера управления конкретным аппаратом. Читать далее
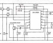
Детектор высокочастотных излучений на LM324
Обычно детекторы электромагнитного поля, схемы которых опубликованы в различных изданиях, имеют ряд недостатков, а именно: неудовлетворительную чувствительность и использование габаритного стрелочного прибора для индикации уровня излучения в измеряемой точке пространства. Читать далее
Радиоприемники на микросхемах TDA7021 (КР174ХА34АМ) и TDA7088t
Принципиальные схемы приемников на микросхемах TDA7021 (КР174ХА34АМ) и TDA7088t, Схемы, описание и настройка несложных в изготовлении приемников на УКВ или FM диапазон. Принципиальная электрическая схема изображена на рис. Читать далее



