Радиостанция работает на одной фиксированной частоте в диапазоне 27 МГц с амплитудной модуляцией. Дальность уверенной связи между двумя таким радиостанциями на открытой площадке составляет около 1000 М. В городских условиях дальность зависит от конкретной обстановки (интенсивность помех, наличие металлических и железобетонных зданий, и т.п.). В сельской местности, в степи, при благоприятных погодных условиях, дальность связи может достигать нескольких километров. Читать далее
Радиотракт системы радиоуправления или сигнализации
На страницах радиолюбительских изданий за последние годы опубликовано немало радиотрактов для систем радиосигнализации или радиоуправления. Большинство из них построены по супергетеродинным схемам на микросхемах серии К174, некоторые по схемам прямого преобразования. Все они, даже с использованием микросхем К174ХА26 в схеме с одним преобразованием частоты, получаются слишком сложные и труднодоступные для повторения (в смысле комплектации). Читать далее
Микромощный передатчик с ЧМ на полевом транзисторе
Этот микромощный передатчик можно использовать как радиомикрофон, работающий на специально отведенной для подобных целей частоте 87,9 МГц. Принимают сигнал любым УКВ ЧМ приемником, имеющим этот диапазон (УКВ-2 или FM). Питается передатчик от одного гальванического элемента серии АА или AAA. Читать далее
Беспроводной микрофон FM диапазона
Беспроводной микрофон с передачей модулированного сигнала по радиоканалу применяют не только на концертных площадках, но и дома, например, для караоке. Дальность действия до 20 м в пределах квартиры вполне устраивает всех домочадцев, а возможность приема сигнала от микрофона на обычный FM приемник позволяет применять устройство универсально. Читать далее
Высокочастотные (400-2500 МГц) усилители мощности
В выходных каскадах сотовых телефонов (и радиотелефонов) часто используются в качестве оконечных усилителей модули на основе микросхем МАХ2640 и МАХ2641. Так уж сложилось, что популярные микросхемы МАХ2640 и МАХ2641 представляют собой законченные малошумящие мощные усилители высокой частоты (ВЧ) и требуют минимального набора навесных компонентов, что позволяет применять их в качестве отдельных блоков выходных каскадов ВЧ Читать далее
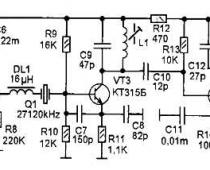
АМ передатчик на СВ диапазон 27мГц
Передатчик разрабатывался для работы в составе одноканальной СВ-радиостанции, питающейся от аккумуляторной батареи напряжением 11-15V. Есть микрофонный усилитель, на вход которого можно подать сигнал от динамика-микрофона, а так же, режим вызова. Принципиальная схема передатчика показана на рисунке. Схема полностью транзисторная, с минимумом дефицитных деталей. Читать далее
Жучок на цифровой микросхеме
Есть много схем простых радиомикрофонов, но этот интересен тем, что сделан на одном логическом элементе микросхемы высокоскоростной логики. На одном элементе микросхемы D1 сделан ВЧ-генератор, вырабатывающий колебания на частоте около 100 МГц. Колебания излучаются простейшей штыревой антенной. Конденсатор СЗ служит для настройки передатчика. Читать далее
Четырехкомандное дистанционное управление
Несмотря на огромное количество разных типов пультов ДУ, присутствующих в продаже, сделать самостоятельно систему дистанционного управления на ИК-лучах каким-либо прибором или аппаратом проблематично. Дело в том, что нет декодеров, работающих самостоятельно. Практически во всей современной аппаратуре декодер дистанционного управления входит в состав контроллера управления конкретным аппаратом. Читать далее







