Сейчас проблема розжига газовых плит стала действительно проблемой, так как их становится все больше, а деревьев, из которых делают спички, все меньше. Кроме того, коробок спичек стоит уже не 1 копейку, да и зажигается далеко не каждая спичка. Мне, конечно, напомнят о пьезозажигалках, но всем известно, что достаточно совсем чуть-чуть пыли и влаги, которых на кухне полно, как разряд пропадает совсем ввиду очень большого внутреннего сопротивления пьезоэлектрического источника тока. Читать далее
Генератор для электронной гравировки
Использование для электронной гравировки тока высокой частоты при высоком напряжении дает возможность проводить гравировку очень тонкими штрихами как на дереве, так и на других обугливающихся материалах. Процесс гравировки основан на прохождении токов высокой частоты (80 кГц и выше) через малые паразитные емкости, при котором между острием резца и гравируемой поверхностью возникает электрическая дуга. Читать далее
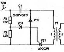
Электрическая зажигалка для газа из 10 деталей
В доме не оказалось спичек, а в магазин их не завезли. Не беда — простую зажигалку для кухонной плиты можно собрать из десятка недефицитных радиоэлементов. Схема зажигалки (рис. 1) состоит из двух генераторов. Первый построен на двух маломощных транзисторах, второй — на двух тиристорах. Читать далее
Высоковольтный блокинг-генератор
Конструкция, несмотря на свою простоту, пригодится для проведения разнообразных экспериментов. При питании 12 В амплитуда выходного напряжения составляет 10… 12 кВ. Запитывается устройство от источника 6 В. Читать далее
Трансформатор Тесла с микроконтроллерным управлением
Трансформатор Тесла способен демонстрировать электрические разряды в воздухе. Данная схема способна издавать звуки. Смена режимов влияет на характер звуков, издаваемых электрическими разрядами, а также на их число и длину. Чем продолжительней пауза, тем сильнее успевает деионизироваться воздух в области разряда к началу следующей пачки импульсов высокого напряжения. Изменив программу, можно промодулировать импульсную последовательность более сложными сигналами. Читать далее




