Прибор имеет хорошо видные яркосветящиеся светодиодные индикаторы напряжения и полярности подключения щупов, питается от измеряемой цепи (берет около 0,1 А) и конструктивно выполнен очень удобно. Корпус пластмассовый, прямоугольной формы, посредине расположен трехразрядный цифровой индикатор напряжения, по краям корпуса (с малых торцов) выведены проводники с щупами под «крокодилы», возле точек вывода проводов есть по свето-диоду красного цвета. Читать далее
Автомобильный вольтметр на UAA180 и 12 светодиодах
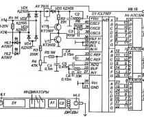
Схема и описание автомобильного вольтметра на UAA180 и 12 светодиодах Читать далее

